W latach osiemdziesiątych moja pasja do elektroniki przez pewien okres skupiała się na wzmacniaczach akustycznych. Był to taki okres „wysypu” różnego rodzaju konstrukcji, a właściwie ich opisów w Radioamatorze czy Młodym Techniku. Dla mnie pozostały opisy, bo na Podhalu zdobycie niezbędnych elementów by samodzielnie konstrukcję zbudować, było dla mnie jako ucznia technikum, praktycznie nieosiągalne. Ale już samo to przeglądanie, studiowanie dawało ogromną satysfakcję. Było to też ograniczone, bo dostęp do literatury fachowej był także praktycznie żaden. „Wzmacniacze Elektroakustyczne” Feszczuka były wymarzonym świętym gralem.
Teraz po latach, ta książka jest w mojej biblioteczce, a zagadnienia konstrukcji i działania wzmacniaczy przerabiam praktycznie. Spełnienie młodzieńczych fascynacji.
Naprawiając Telefunkena okazało się, że uszkodzony jest tranzystor sterujący tranzystorami mocy. Prześledziłem dostępne schematy wzmacniacza mocy tego modelu radia i mogę stwierdzić, że były trzy kolejno po sobie postępujące wersje. Pierwsza oparta o parę sterującą AC117/AC175,
![]() |
| Wersja pierwotna - czysty german |
w kolejnej wersji (a taka do mnie trafiła do naprawy) pracowała para mieszana germanowo-krzemowa AC124/2N697.
![]() |
| Wersja mieszana Ge/Si. |
W kolejnej – jak przypuszczam finalnej wersji, gdy opanowano już produkcję krzemowych tranzystorów pnp, zamiast pracującego w poprzednim stopniu AC122 pojawił się SK5410, a para sterująca to SG2182/SG2183, to wszystko krzemie, to wszystko Telefunken.
Jako tranzystory mocy cały czas stosowano AD149, widać bardzo dobre były.
Postanowiłem pójść śladami inżynierów Telefunkena i naprawiając ten wzmacniacz zastosować, gdzie ma to sens, tranzystory krzemowe. Była dla mnie to także praktyczna szkoła takich konstrukcji, wspomagając się literaturą i nieocenioną pomocą kolegi Zygmunta, krok po kroku, ostrożnie stąpając, przebudowałem wzmacniacz do najnowszej Telefunkowej generacji.
Aby to zrobić, najpierw trzeba było przeanalizować całą konstrukcję.
| Podział na stopnie i funkcje. Jak w wojsku. |
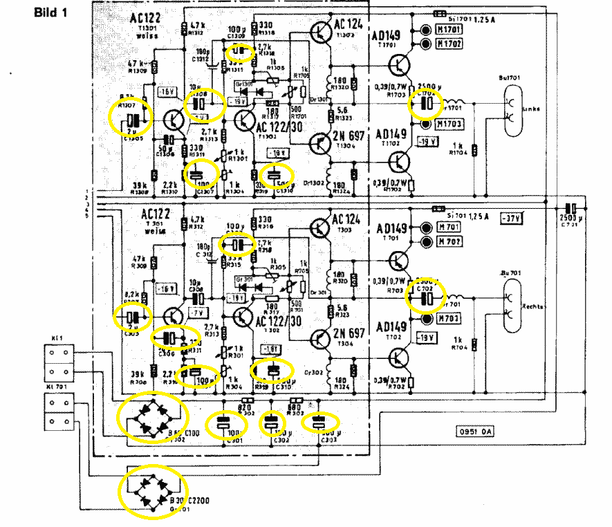
Pomijając obwody zasilania, w bloku wzmacniacza mocy można wydzielić kilka kolejnych stopni. Pierwszy to wzmacniacz napięciowy na tranzystorze T301 (AC122) oddzielony kondensatorami sprzęgającymi na wejściu i wyjściu - kolorem zielonym oznaczony. Zasilany także jest z odrębnego napięcia zasilania. Zostaje jak jest, beż żadnych zmian czy poprawek.
Kolejny to stopień sterujący, którego zadaniem jest wypracowanie właściwego sygnału dla tranzystorów pracujących w klasie AB (push-pull byśmy w lampowym świecie powiedzieli). Dzięki bardzo przemyślanemu układowi na jednym tranzystorze możliwe jest: wypracowanie sygnału dla pary przeciwstawnej, zapewnienie regulacji prądu spoczynkowego tranzystorów mocy i symetryzacji stopnia końcowego (tak by napięcie na wyjściu, ale przed elektrolitem) wynosiło połowę napięcia zasilania. Germanowy tranzystor AC122/30 występujący w tym stopniu zamieniłem na krzemowy pnp, zgodnie z modyfikacją opisaną przez Telefunken-a.
![]() |
| Tu już 3 krzemowe tranzystory. |
Tej części pracy nie dało się wykonać kopiując układ bez zrozumienia jego działania, jak wspominałem - dużo pomógł mi kolega Zygmunt skrupulatnie tłumacząc zawiłości. Wspomagany w ten sposób odrobiłem zaległości z Feszczuka. A teraz, jako neofita spieszę dzielić się moją wiedzą.
Cały ten stopień sterujący można podzielić na trzy elementy: (1) tranzystor (wraz z opornikiem R1319 zbocznikowanym C1310), (2) zespołem diod czy innych stabilizatorów zapewniających stałość napięcia do wypracowania sygnałów dla kolejnego stopnia komplementarnego (kolor czerwony) i (3) rezystora (rezystorów R1318+R1316, pominiemy tu dynamiczny wpływ C1309). Rysując to w sposób następujący widać, że objęty prostokątem (na schemacie ideowym – ten kolorem czerwonym nakreślony) (2) zespół elementów ma zapewnić stały spadek napięcia, niezależnie od prądu przezeń płynącego, (3) rezystor w kolektorze (tu narysowany po amerykańsku – trochę jak sprężyna) realizuje prawo Ohma, a prąd całości zadaje (1) tranzystor sterujący.
![]() |
| obwód tranzystora sterującego. |
Przyjmując jako Uo napięcie połowy napięcia zasilającego to UB T1303 ma być większe o U BE T1303+ UBE T1701 a UB T1304 (npn) mniejsze o UBE T1304. Należy dodać jeszcze napięcie stałe związane z prądem spoczynkowym tranzystorów odkładającym się na rezystorach, ale o tym za chwilę.
![]() |
| Sumowanie napięć |
Regulując za pomocą PR-ki R1304 (pomarańczowa) napięcie na bazie T1302, a w konsekwencji prąd płynący przez tranzystor i obwód możemy ustalić symetrię wzmacniacza – coś w rodzaju naciągu wstępnego tej "sprężynki" (R13118/1316). Takie sprzężenie zwrotnie pochodzi z dzielnika napięciowego - obwód w kolorze pomarańczowym. Aby to osiągnąć musiałem zwiększyć wartość rezystora R1313 do 3,3k om, bo opisana wartość 2,7k om była za mała. Przebudowując układ na tranzystor krzemowy problem sprawiły stosowane przez Telefunkena, a niedostępne asymetryczne warystory E 295 ZZ/02 służące do stabilizacji napięcia.
| Weź i teraz (2021) znajdź takie varystory |
![]() |
| Wujek Google, znalazł tylko to w katalogu Valvo. |
Z początku próbowałem je zastąpić diodą Zenera o napięciu 2,6V (widać na kilku zdjęciach), ale to z kolei czyniło niemożliwym ustawienie prądu spoczynkowego tranzystorów mocy. Użycie polskich diod stabilizacyjnych BAP812 produkcji CEMI, dających 2V w kierunku przewodzenia, było strzałem w dziesiątkę.
| Tu już widać szare, niepozorne BAP812 |
Dodam, że Uo ustawiałem wstępnie bez podłączonych końcowych tranzystorów sterujących i mocy AD149, później tylko je po finalnym montażu lekko korygując.
| Za dzielnik do napięcia posłużyły dwa rezystory 1kom. |
Zachowałem oryginalne rozwiązanie stabilizacji temperaturowej oparte na termistorach, zarówno dla Uo (R1301) jak i dla prądu spoczynkowego (R1701), a korektę rezystora R1705 z 1k om na 680 om wykonałem dolutowując równolegle drugi o rezystancji 2,2kom.
| Termistora nawet nie wykręcałem z radiatora. |
Jako krzemową parę T303/304 użyłem BD139/2SA1358 (zamiast BD140) – spośród posiadanych łatwiej dało się dobrać takie same współczynniki wzmocnienia, co poprzez inną obudowę tranzystorów pozwoliło na uproszczenie montażu do radiatora, od strony BD 139 także z użyciem przekładek izolujących, dla obydwu tranzystorów z użyciem pasty termoprzewodzącej.
| Układ jeszcze mieszany jeden kanał całkowicie krzemowy, drugi jeszcze mieszany. |
Przy okazji wyjaśniła się tajemnica wypalonego rezystora 180 om (R1320).
| Ofiara i winowajca. |
Równolegle do niego podłączony dławik miał przerwę, i ów biedny rezystor cały prąd na siebie wziął. A że był on w omach kilkukrotnie większy (dławik miał liche 26 omów), to rezystor zgorzał.
| 26 om, indukcyjność żadna (wg. chińskiego miernika) |
Z braku możliwości wykonania tak subtelnych nawinięć koszykowych, na podstawie pomiarów
| Dopiero pomiar za pomocą nanoVNA daje wynik. |
drugiego ocalałego dławika dobrałem taką konstrukcje dławikowo-rezystorową, by indukcyjność i rezystancja była podobna. Oczywiście zastosowałem to samo zastępstwo dla obydwu tranzystorów.
| Widać i komplementarne tranzystory i erzace dławików. |
Roboty ze wzmacniaczem mocy było sporo, kombinowania także, ale jego przyjemność ożywienia wszystko wynagrodziła. Stopień mocy zagrał ładnie, daje 13W na 4 omach, tranzystory się nie przegrzewają.
| Jest moc, jest fun. |
Wymiany kondensatorów elektrolitycznych w części przedwzmacniacza nie będę opisywał – poszło bez kłopotów.
| Przed wymianą kondensatorów. |
| Po wymianie elektrolitów. |
A i potencjometr regulacji balansu dał się naprawić. Oczywiście, jak prawie zawsze winne naloty na srebrzonych elementach ślizgowych.
| Styki, styki i styki. |
No i po godzinie poszukiwań udało się odnaleźć zagubiony przy demontażu mały grafitowy ślizgacz – taki drobny element, a kłopot byłby ogromny.
| Mam cię draniu! Już mi nie uciekniesz. |
Wymieniłem też sygnałowe elektrolity w pozostałym torze m.cz., jak i w stereo dekoderze.
| Aż dziw, że radio grało. To miało być 5uF. |
Cudem, podkreślam cudem, udało mi się wykręcić rdzenie przegrzebanych filtrów p.cz. Po obróceniu ich (rdzeni) o 180stopni, już ze spokojem zestroiłem p.cz. na wobulatorze.
| Wzorcowa wewnątrzniemiecka współpraca. Po lewej NRD, po prawej RFN. |
| Ale żeby na AM dobrze ustawić, polski PGS21 musiał się wmieszać (dając częstotliwość znacznika). |
Z drobnostek, acz upierdliwych do znalezienia, to wyeliminowałem zły styk w głowicy UKF w stopniu wzmacniacza (grało, ale grało słabo) i zimny lut w torze AM (takie same objawy). Po poprawie pozycji cewek na antenie ferrytowej także odbiór na średnich i długich jest bardzo satysfakcjonujący.
To radio naprawdę może sprawić radość przy użytkowaniu, ale i przy naprawie. Widać, że ktoś pomyślał, aby ułatwić życie także serwisantom – dostępne punkty pomiarowe, mostki tam gdzie obwód przy regulacji trzeba rozpiąć – no super. Już się cieszę na kolejne. A może i ten egzemplarz wróci na warsztat, coś Pan Andrzej wspomina o przedwzmacniaczu gramofonowym (!?).
Przy okazji odrobiłem zaległe lekcje ze wzmacniaczy. Nie tyle lekcje co praktyczne ćwiczenia.










